Page top

Industrial Automation

Industrial Automation

D4E-[]N

Small Sealed Switch

D4E-[]N

Slim and Compact Switch with Better Seal and Ensuring Longer Service Life than D4E

(Unit: mm)

Note: Unless otherwise specified, a tolerance of ±0.4 mm applies to all dimensions.
*1. A 5.8-dia. to 7.6-dia. cable can be applied to the seal rubber for the lead wire outlet.

*2. A 3-m lead wire cable equivalent to the 3-conductor VCTF S-FLEX cable (0.75 mm2, 7 mm in dia.) is provided.

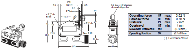
Operating Characteristics

Roller Plunger
D4E-1A00N
D4E-2A00N
D4E-1A10N
D4E-2A10N

D4E-[]N Dimensions 3

Roller Plunger
D4E-1A20N *1
D4E-2A20N *1
D4E-1A21N *2
D4E-2A21N *2

D4E-[]N Dimensions 4

Cross Roller Plunger
D4E-1B00N
D4E-1B10N
D4E-2B10N

D4E-[]N Dimensions 5

Cross Roller Plunger
D4E-1B20N *1
D4E-2B20N *1
D4E-1B21N *2
D4E-2B21N *2

D4E-[]N Dimensions 6

Plunger
D4E-1C00N
D4E-2C00N
D4E-1C10N
D4E-2C10N

D4E-[]N Dimensions 7

Plunger
D4E-1C20N *1
D4E-2C20N *1
D4E-1C21N *2
D4E-2C21N *2

D4E-[]N Dimensions 8

Sealed Roller Plunger
D4E-1D00N
D4E-1D10N
D4E-2D10N

D4E-[]N Dimensions 9

Sealed Roller Plunger
D4E-1D20N *1
D4E-2D20N *1
D4E-1D21N *2
D4E-2D21N *2

D4E-[]N Dimensions 10

Sealed Cross Roller Plunger
D4E-1E00N
D4E-1E10N

D4E-[]N Dimensions 11

Sealed Cross Roller Plunger
D4E-1E20N *1
D4E-2E20N *1
D4E-1E21N *2
D4E-2E21N *2

D4E-[]N Dimensions 12

Sealed Plunger
D4E-1F00N
D4E-1F10N
D4E-2F10N

D4E-[]N Dimensions 13

Sealed Plunger
D4E-1F20N *1
D4E-2F20N *1
D4E-1F21N *2
D4E-2F21N *2

D4E-[]N Dimensions 14

Roller Lever
D4E-1G00N
D4E-1G10N
D4E-2G10N

D4E-[]N Dimensions 15

Roller Lever
D4E-1G20N *1
D4E-2G20N *1
D4E-1G21N *2
D4E-2G21N *2

D4E-[]N Dimensions 16

One-way Action Roller Lever
D4E-1H00N

D4E-[]N Dimensions 17

One-way Action Roller Lever
D4E-1H20N *1
D4E-2H20N *1
D4E-1H21N *2

D4E-[]N Dimensions 18