Page top

Industrial Automation

Industrial Automation

NA Series

Programmable Terminal

NA Series

The Omron Sysmac HMI enables faster, more efficient control and monitoring - and a more natural, proactive relationship between operator and machine. Wide screen models: 7, 9, 12 and 15 inches

(Unit: mm)

Metal case type

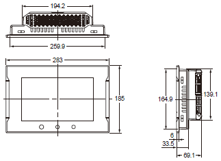
NA5-15W101S-V1/-15W101B-V1

NA Series Dimensions 2

Cable Connection Dimensions

NA Series Dimensions 3

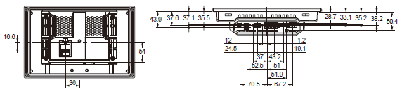
NA5-12W101S-V1/-12W101B-V1

NA Series Dimensions 4

Cable Connection Dimensions

NA Series Dimensions 5

NA5-9W001S-V1/-9W001B-V1

NA Series Dimensions 6

Cable Connection Dimensions

NA Series Dimensions 7

NA5-7W001S-V1/-7W001B-V1

NA Series Dimensions 8

Cable Connection Dimensions

NA Series Dimensions 9

Plastic case type

NA5-15W101S-V1-P/-15W101B-V1-P

NA Series Dimensions 11

Cable Connection Dimensions

NA Series Dimensions 12

NA5-12W101S-V1-P/-12W101B-V1-P

NA Series Dimensions 13

Cable Connection Dimensions

NA Series Dimensions 14

NA5-9W001S-V1-P/-9W001B-V1-P

NA Series Dimensions 15

Cable Connection Dimensions

NA Series Dimensions 16

NA5-7W001S-V1-P/-7W001B-V1-P

NA Series Dimensions 17

Cable Connection Dimensions

NA Series Dimensions 18