Page top

Industrial Automation

Industrial Automation

Viper 650 (EtherCAT version)

Articulated Robots EtherCAT (NJ501-R) version

Viper 650 (EtherCAT version)

Articulated robot for machining, assembly, and material handling

ACE software is available to download from the Omron US website.

(Unit: mm)

Viper 650

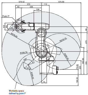
Viper 650 (EtherCAT version) Dimensions 1

eCS-ECAT

Weight : 8.57 kg

Viper 650 (EtherCAT version) Dimensions 2

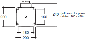
Front panel

Viper 650 (EtherCAT version) Dimensions 3

Footprint

Viper 650 (EtherCAT version) Dimensions 4

Flange

Viper 650 (EtherCAT version) Dimensions 5