Page top

Industrial Automation

Industrial Automation

K3CV

IO-Link AD Converter

K3CV

Analog signals are converted to digital signals with high precision and output via IO-Link communication. Improves signal accuracy and reliability while simplifying wiring to reduce costs

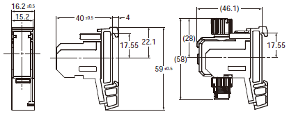
(Unit: mm)

K3CV

K3CV Dimensions 1

Option

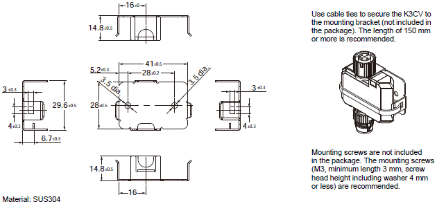
Mounting Bracket

K3CV-F-1

Utilize the two screw holes to securely mount the bracket to the wall.

K3CV Dimensions 4

Main Unit Fixture

K3CV-F-2

K3CV Dimensions 6

DIN Track Mounting Adapter

K3CV-F-3

K3CV Dimensions 8

Tools for M12 threaded connectors

Use them to tighten the fixture of the M12 threaded connector to the specified torque value.

Torque Wrench
XY2F-0004

K3CV Dimensions 10